Рокип SM40x — серия однофазных многотарифных счётчиков электроэнергии производства ООО «РОКИП» (Москва). Включает модели SM401, SM402, SM405, SM407, SM408. Предназначены для учёта активной и реактивной энергии в сетях 230В. До 8 тарифов, класс точности 1.0, ток 5(60)–10(100) А.

| Модиф. | Описание | Контроллер |
|---|---|---|
| R1, R2 | RS-485 | УС-RS485 |
| O | Оптопорт | УС-OptoPort |
| M | M-Bus | УС-MBus |
| W | WMBus | — |
| — | Импульсный выход | Ватериус |
Основные характеристики
| Тип | Однофазный многотарифный |
| Напряжение | 230 В, 50 Гц |
| Ток | 5(60) А / 5(80) А / 5(100) А / 10(100) А |
| Класс точности | 1.0 / 2.0 |
| Тарифы | до 8 тарифов |
| Интерфейсы | RS-485, оптопорт, M-Bus, WMBus, импульсный выход |
| Протокол | СПОДЭС (DLMS/COSEM) |
| Межповерочный интервал | 16 лет |
| Степень защиты | IP54 |
| Производитель | ООО «РОКИП», Москва |
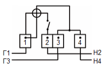
Подключение к сети
Счётчик подключается по стандартной однофазной схеме (4 клеммы):
- Клемма 1 — фаза (вход от автомата)
- Клемма 2 — фаза (выход на нагрузку)
- Клемма 3 — ноль (вход)
- Клемма 4 — ноль (выход на нагрузку)

Как снять показания
Показания отображаются на ЖКИ-экране. Для многотарифного режима:
- Нажмите кнопку «Ввод» — на экране появится значение Т1 (дневной тариф)
- Нажмите ещё раз — Т2 (ночной тариф)
- Ещё раз — Т3 (полупиковая зона, если настроена)
- Запишите показания до запятой по каждому тарифу
В автоматическом режиме показания по тарифам переключаются на экране каждые 10 секунд. Для передачи в управляющую компанию нужны только целые кВт·ч (цифры до запятой).
Автоматический сбор показаний
Вместо ручного снятия показаний подключите контроллер Универсальный считыватель — он автоматически считывает данные со счётчика и передаёт по Wi-Fi в Home Assistant, MQTT-брокер или управляющую компанию.
Подходящие контроллеры для Рокип SM40x:
- УС-RS485 — для модификаций R1, R2. Подключение по клеммам 40-A, 41-B. Считывает тарифы, напряжение, ток, мощность
- УС-OptoPort — для модификации O. Бесконтактное подключение через магнитную головку
- УС-MBus — для модификации M. Подключение по клеммам 40(+), 41(−)
- Ватериус — для импульсного выхода. Подключение по клеммам 32(+), 33(−)
Данные доступны в реальном времени через веб-интерфейс контроллера. Интеграция с Home Assistant и SprutHub — автоматическая.
Также поддерживаются: Рокип ST40X (трёхфазный).
Купить контроллер: УС-RS485 | УС-OptoPort | УС-RSCAN
Интерфейс RS-485

Контроллер для передачи показаний: УС-RS485
Протокол:
- ❓ СПОДЭС/DLMS — Не проверен
Скорость: 9600
Параметры: Тарифы, Вольты, Токи, Мощности, Частота, CosF
Подключение RS-485

Выход 40 — A
Выход 41 — B
Интерфейс ОптоПорт

Интерфейс M-Bus

Контроллер для передачи показаний: УС-MBus
Протокол: M-Bus — ❓ Не проверен
Скорость: 9600
Подключение M-Bus

Выход 40 — «+»
Выход 41 — «−»
Интерфейс Импульсный выход

Контроллер для передачи показаний: Ватериус
Подключение: клеммы 32(+), 33(−)
Частые вопросы
Какой контроллер нужен для Рокип SM40x?
Зависит от модификации: для RS-485 (мод. R1, R2) — УС-RS485, для оптопорта (мод. O) — УС-OptoPort, для M-Bus (мод. M) — УС-MBus. Импульсный выход есть во всех модификациях — подойдёт Ватериус.
Как узнать адрес счётчика для настройки УС?
Адрес указан в паспорте счётчика или на шильдике. Протокол обмена — СПОДЭС (DLMS/COSEM), скорость по умолчанию 9600 бод.
Совместим ли Рокип SM40x с Home Assistant?
Да. Контроллер УС-RS485 (или УС-OptoPort) передаёт данные по Wi-Fi в MQTT. Home Assistant подхватывает показания автоматически через интеграцию.