Энергомера CE207 — однофазный многотарифный счётчик электроэнергии производства АО «Энергомера» (Россия). Предназначен для учёта активной и реактивной энергии в сетях 230 В. До 4 тарифов, класс точности 1.0, номинальный ток 5(80) А, межповерочный интервал 16 лет.

Сайт: energomera.ru
Модификации / Контроллер:
| Модиф. | Описание | Контроллер |
|---|---|---|
| А | RS-485 | УС-RS485 |
| O* | Оптопорт | УС-OptoPort |
| G | GSM | — |
| P | PLC | — |
| R1 | Радио (встроенная антенна) | — |
| R2 | Радио (внешняя антенна) | — |
| N | Ethernet | — |
| * | Импульсный выход | Ватериус |
*— по умолчанию включено во все исполнения счетчика.
R1/R2 — собственный радиоинтерфейс Энергомеры (не LoRaWAN).
Модемы (опциональные):
| Модуль | Описание | Контроллер |
|---|---|---|
| LR0X | LoRaWAN | УС-Lora |
| NB02 | NB-IoT + GSM 2G | — |
| PL03 | PLC OFDM G3 | — |
| GS01 | GSM 2G | — |
| RP04 | Радиомодем Энергомера (собств. протокол) | — |
Пример маркировки: CE207 R7.849.2.OR1.QUVLF LR01 — O оптопорт + R1 радио (встр. антенна); Q реле нагрузки, U показатели качества, V электронные пломбы, L подсветка, F датчик магнитного поля; модуль LR01 — LoRaWAN.
Параметры: Тарифы, Вольты, Токи, Мощности, Частота, CosF
Основные характеристики
| Тип | Однофазный многотарифный |
| Напряжение | 230 В, 50 Гц |
| Ток | 5(80) А |
| Класс точности | 1.0 |
| Тарифы | до 4 тарифов |
| Интерфейсы | RS-485, оптопорт, импульсный выход, LoRaWAN |
| Межповерочный интервал | 16 лет |
| Производитель | АО «Энергомера», Россия |
Подключение к сети
Счётчик подключается по стандартной однофазной схеме (4 клеммы):
- Клемма 1 — фаза (вход от автомата)
- Клемма 2 — фаза (выход на нагрузку)
- Клемма 3 — ноль (вход)
- Клемма 4 — ноль (выход на нагрузку)
Схема подключения нанесена на внутреннюю сторону клеммной крышки.
Как снять показания
Показания отображаются на ЖКИ-экране. Для многотарифного режима:
- Нажмите кнопку «Ввод» — на экране появится значение Т1 (дневной тариф)
- Нажмите ещё раз — Т2 (ночной тариф)
- Ещё раз — Т3 (полупиковая зона, если настроена)
- Запишите показания до запятой по каждому тарифу
В автоматическом режиме показания по тарифам переключаются на экране каждые 10 секунд. Для передачи в управляющую компанию нужны только целые кВт·ч (цифры до запятой).
Автоматический сбор показаний
Вместо ручного снятия показаний подключите контроллер Универсальный считыватель — он автоматически считывает данные со счётчика и передаёт по Wi-Fi в Home Assistant, MQTT-брокер или управляющую компанию.
Подходящие контроллеры для Энергомера CE207:
- УС-RS485 — для модификаций с интерфейсом RS-485 (буква А). Клеммы 9-A, 10-B
- УС-OptoPort — для модификаций с оптическим портом (буква O)
- Ватериус — для импульсного выхода. Клеммы 7(+), 8(−)
- УС-Lora — для модификаций с модулем LR0X (LoRaWAN)
Данные доступны в реальном времени через веб-интерфейс контроллера. Интеграция с Home Assistant и SprutHub — автоматическая.
Также поддерживаются другие счётчики Энергомера: CE208, CE102, CE308, CE307, CE306, CE301M.
Купить контроллер: УС-RS485 | УС-OptoPort
Интерфейс RS-485


Выход 9 — A
Выход 10 — B
Интерфейс ОптоПорт

Контроллер для передачи показаний: УС-OptoPort
Протокол: СПОДЭС — ❗ Не реализован
Скорость: 9600
Адрес: 5 последних цифр серийного номера
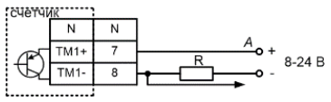
Интерфейс Импульсный выход

Контроллер для передачи показаний: Ватериус
Подключение: клеммы 7(+), 8(−)

Выход 7 — «+»
Выход 8 — «−»
Частые вопросы
Какой контроллер нужен для Энергомера CE207?
Зависит от модификации счётчика. Для модификации с RS-485 (буква А в маркировке) подходит УС-RS485. Для оптопорта (буква O) — УС-OptoPort. Импульсный выход есть во всех исполнениях — к нему подключается Ватериус. Для модуля LR0X (LoRaWAN) — УС-Lora.
Что означает R1 в маркировке CE207?
R1 — собственный радиоинтерфейс Энергомеры со встроенной антенной. R2 — то же с внешней антенной. Это не LoRaWAN и не совместимо с УС-Lora — для LoRaWAN нужен отдельный модуль LR0X (например, LR01) в конце маркировки.
Как узнать адрес счётчика для настройки УС?
Адрес CE207 — 5 последних цифр серийного номера. Размер адреса: 4, верхний адрес: 1. Серийный номер указан на лицевой панели счётчика.
Совместим ли Энергомера CE207 с Home Assistant?
Да. Контроллер УС-RS485 (или УС-OptoPort) передаёт данные по Wi-Fi в MQTT. Home Assistant подхватывает показания автоматически через интеграцию.