Энергомера CE102 — однофазный многотарифный счётчик электроэнергии производства АО «Концерн Энергомера» (Россия). Выпускается в исполнениях R5, R5.1, R8, S6, S7. Предназначен для учёта активной энергии в сетях 230 В. До 4 тарифов, класс точности 1.0, номинальный ток 5(60) А, межповерочный интервал 16 лет.

Основные характеристики
| Тип | Однофазный многотарифный |
| Напряжение | 230 В, 50 Гц |
| Ток | 5(60) А / 10(100) А |
| Класс точности | 1.0 |
| Тарифы | до 4 тарифов |
| Интерфейсы | RS-485, оптопорт, ИК-порт, импульсный выход |
| Межповерочный интервал | 16 лет |
| Производитель | АО «Концерн Энергомера», Россия |
Подключение к сети
Счётчик подключается по стандартной однофазной схеме. Расположение клемм зависит от исполнения корпуса (S6, S7 — щитовой, R5, R5.1, R8 — DIN-рейка):
- Клемма 1 — фаза (вход от автомата)
- Клемма 2 — фаза (выход на нагрузку)
- Клемма 3 — ноль (вход)
- Клемма 4 — ноль (выход на нагрузку)
Схема подключения нанесена на внутреннюю сторону клеммной крышки.
Как снять показания
Показания отображаются на ЖКИ-экране. Для многотарифного режима:
- Нажмите кнопку «ПРОСМОТР» — на экране появится значение Т1 (дневной тариф)
- Нажмите ещё раз — Т2 (ночной тариф)
- Ещё раз — Т3 (полупиковая зона, если настроена)
- Запишите показания до запятой по каждому тарифу
В автоматическом режиме показания по тарифам переключаются на экране каждые 10 секунд. Для передачи в управляющую компанию нужны только целые кВт·ч (цифры до запятой). Адрес счётчика можно посмотреть на ЖКИ — дождитесь индикации Ad-XXXXX или нажмите кнопку «ПРОСМОТР» несколько раз.
Автоматический сбор показаний
Вместо ручного снятия показаний подключите контроллер Универсальный считыватель — он автоматически считывает данные со счётчика и передаёт по Wi-Fi в Home Assistant, MQTT-брокер или управляющую компанию.
Подходящие контроллеры для Энергомера CE102:
- УС-RS485 — для модификаций с интерфейсом RS-485 (буква А). Считывает тарифы и мощность
- УС-OptoPort — для модификаций с оптопортом (буква J). Бесконтактное подключение через магнитную головку
- Ватериус — для подключения по импульсному выходу. Считает импульсы, подходит также для счётчиков воды
Данные доступны в реальном времени через веб-интерфейс контроллера. Интеграция с Home Assistant и SprutHub — автоматическая.
Также поддерживаются другие счётчики Энергомера: CE207, CE208, CE308, CE307, CE306, CE301M.
Купить контроллер: УС-RS485 | УС-OptoPort
Исполнения





Интерфейс RS485

Контроллер для передачи показаний: УС-RS485
Протокол: CE — ❗ Не Проверен
Скорость: по умолчанию 9600
Скорость счетчика также можно посмотреть на ЖКИ счетчика. Для этого в режиме автоматической смены индикации необходимо дождаться индикации Sp XXXX или нажать на кнопку «ПРОСМОТР» несколько раз для отображения адреса счетчика на ЖКИ.
Адрес: Сетевой адрес счетчика на предприятии-изготовителе устанавливается
равным четырем последним цифрам заводского номера счетчика.
Адрес счетчика также можно посмотреть на ЖКИ счетчика. Для этого в режиме автоматической смены индикации необходимо дождаться индикации Ad-XXXXX или нажать на кнопку «ПРОСМОТР» несколько раз для отображения адреса счетчика на ЖКИ.

Исполнение R5
Выход 9 — A
Выход 10 — B

Исполнение R5.1
Выход 9 — A
Выход 10 — B
Вход 12 — «+»
Вход 11 — «-«

Исполнение R8
Выход 24 — A
Выход 25 — B

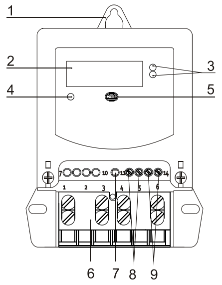
Исполнение S6
Пункт 8
Выход 12 — A
Выход 11 — B

Исполнение S7
Выход 9 — A
Выход 10 — B
Вход 12 — «+»
Вход 11 — «-«
Интерфейс ОптоПорт

Контроллер для передачи показаний: УС-OptoPort
Протокол: CE — ❓ Не проверен
Скорость: по умолчанию 9600
Скорость счетчика также можно посмотреть на ЖКИ счетчика. Для этого в режиме автоматической смены индикации необходимо дождаться индикации Sp XXXX или нажать на кнопку «ПРОСМОТР» несколько раз для отображения адреса счетчика на ЖКИ.
Адрес: Сетевой адрес счетчика на предприятии-изготовителе устанавливается
равным четырем последним цифрам заводского номера счетчика.
Адрес счетчика также можно посмотреть на ЖКИ счетчика. Для этого в режиме автоматической смены индикации необходимо дождаться индикации Ad-XXXXX или нажать на кнопку
«ПРОСМОТР» несколько раз для отображения адреса счетчика на ЖКИ.
Интерфейс IrDA

Контроллер для передачи показаний: УС-IRDA
Протокол: CE — ❗ Не реализован
Скорость: по умолчанию: 9600
Скорость счетчика также можно посмотреть на ЖКИ счетчика. Для этого в режиме автоматической смены индикации необходимо дождаться индикации Sp XXXX или нажать на кнопку «ПРОСМОТР» несколько раз для отображения адреса счетчика на ЖКИ.
Адрес: Сетевой адрес счетчика на предприятии-изготовителе устанавливается равным четырем последним цифрам заводского номера счетчика.
Адрес счетчика также можно посмотреть на ЖКИ счетчика. Для этого в режиме автоматической смены индикации необходимо дождаться индикации Ad-XXXXX или нажать на кнопку
«ПРОСМОТР» несколько раз для отображения адреса счетчика на ЖКИ.
Интерфейс Импульсный выход

Контроллер для передачи показаний: Ватериус

Исполнение R5.1
Выход 7 — «+»
Выход 8 — «-«

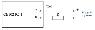
Исполнение R5.1
Выход 7 — «+»
Выход 8 — «-«

Исполнение R8
Выход 13 — «+»
Выход 12 — «-«

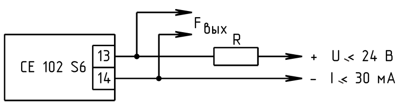
Исполнение S6
Выход 13 — «+»
Выход 14 — «-«

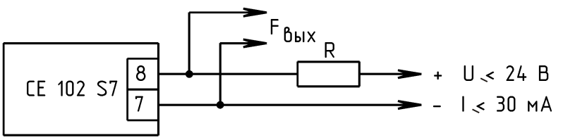
Исполнение S7
Выход 8 — «+»
Выход 7 — «-«

Исполнение S7 J
Выход 7 — «+»
Выход 8 — «-«
Частые вопросы
Какой контроллер нужен для Энергомера CE102?
Зависит от модификации. Для RS-485 (буква А) подходит УС-RS485. Для оптопорта (буква J) — УС-OptoPort. Для ИК-порта (буква O) — УС-IRDA. Импульсный выход есть во всех исполнениях — к нему подключается Ватериус.
Как узнать адрес счётчика CE102?
Адрес CE102 — 4 последние цифры заводского номера. Посмотреть можно на ЖКИ: дождитесь индикации Ad-XXXXX или нажмите кнопку «ПРОСМОТР» несколько раз.
Совместим ли Энергомера CE102 с Home Assistant?
Да. Контроллер УС-RS485 (или УС-OptoPort) передаёт данные по Wi-Fi в MQTT. Home Assistant подхватывает показания автоматически через интеграцию.