СЭБ-1ТМ.03Т — однофазный многофункциональный счётчик электроэнергии производства ООО «ТехноЭнерго» (Нижний Новгород). Напряжение 220/230В, ток 5(80)А, класс точности 1.0/2.0, до 4 тарифов, МПИ 16 лет. Два корпуса: внутренней установки (1) с RS-485 и наружной установки (2) без RS-485.
Контроль и передача показаний счётчиков в вашу управляющую компанию автоматически

Сайт: te-nn.ru
| Модиф. | Описание | Контроллер |
|---|---|---|
| 01-03 | RS-485 | УС-RS485 |
| Все | ОптоПорт | УС-OptoPort |
| Все (корп. 1) | Имп. выход | Ватериус |
| 04-07, 42-45 | PLC | — |
| 08-11, 46, 49 | 868 MHz RF (проприет.) | — |
| 12-15, 50-53 | GSM | — |
| 16-19, 54-57 | Wi-Fi | — |
| 20-23 | Ethernet | — |
| 24-27, 58-61 | UMTS (2G+3G) | — |
| 28-31, 62-65 | LTE (2G+NBIoT) | — |
Параметры: Тарифы, Напряжение, Ток, Мощность, CosF
Основные характеристики
| Тип | Однофазный многотарифный |
| Напряжение | 220/230В, 50Гц |
| Ток | 5(80) А |
| Класс точности | 1.0 (акт.) / 2.0 (реакт.) |
| Тарифы | до 4 тарифов |
| Интерфейсы | RS-485 (корп. 1), оптопорт, импульсный выход |
| МПИ | 16 лет |
| Производитель | ООО «ТехноЭнерго», Нижний Новгород |
Подключение к сети
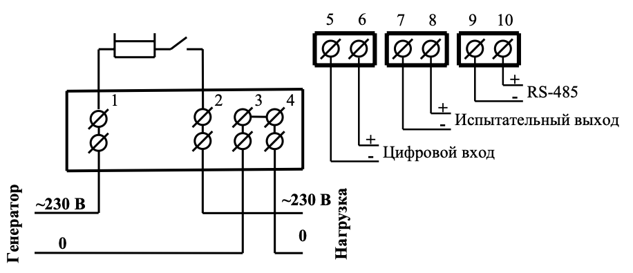
Счётчик подключается по стандартной однофазной схеме (4 клеммы):
- Клемма 1 — фаза (вход)
- Клемма 2 — фаза (выход на нагрузку)
- Клемма 3 — ноль (вход)
- Клемма 4 — ноль (выход на нагрузку)
Как снять показания
Показания отображаются на ЖКИ-экране. Для многотарифного режима:
- Нажмите кнопку «Ввод» — на экране появится значение Т1
- Нажмите ещё раз — Т2, затем Т3, Т4
- Запишите показания до запятой по каждому тарифу
Автоматический сбор показаний
Вместо ручного снятия показаний подключите контроллер Универсальный считыватель — он автоматически считывает данные и передаёт по Wi-Fi в Home Assistant, MQTT или управляющую компанию.
Подходящие контроллеры для СЭБ-1ТМ.03Т:
- УС-RS485 — для модификаций 01-03 (корпус 1). Клеммы 5(A), 6(B)
- УС-OptoPort — для всех модификаций. Магнитная головка на оптический порт
- Ватериус — импульсный выход (корпус 1). Клеммы 7(+), 8(−)
Также поддерживается: СЭБ-1ТМ.04Т.
Купить: УС-RS485 | УС-OptoPort
Интерфейс RS-485


Корпус внутренней установки (1)
Выход 5 — A
Выход 6 — B
Интерфейс ОптоПорт

Контроллер для передачи показаний: УС-OptoPort
Протокол: ModBus-подобный (СЭТ-4ТМ.02) — ❓ Не проверен
Скорость: 9600
Пароль: 000000
Адрес: отображается на индикаторе
Интерфейс Импульсный выход

Контроллер для передачи показаний: Ватериус
Подключение (корпус 1): клеммы 7(+), 8(−)
Частые вопросы
Какой контроллер нужен для СЭБ-1ТМ.03Т?
Зависит от модификации. Для корпуса внутренней установки с RS-485 (мод. 01-03) подходит УС-RS485. Для любой модификации — УС-OptoPort (оптопорт есть у всех). Корпус наружной установки (2) не имеет RS-485.
Как узнать адрес счётчика?
Адрес отображается на ЖКИ-индикаторе счётчика. Укажите его в настройках УС-RS485. Пароль по умолчанию: 000000.
Совместим ли СЭБ-1ТМ.03Т с Home Assistant?
Да. Контроллер УС-RS485 или УС-OptoPort передаёт данные по Wi-Fi в MQTT. Home Assistant подхватывает показания автоматически через интеграцию.
В маркировке СЭБ-1ТМ.03Т указан ZigBee — можно подключить к zigbee2mqtt?
Нет. Производитель обозначает интерфейс как «ZigBee (RF1)», но это проприетарный радиоканал 868 МГц (Sub-GHz RF), не совместимый со стандартом ZigBee (IEEE 802.15.4, 2.4 ГГц). Используется ModBus-подобный протокол для связи с фирменными терминалами серии Т-1. Подключить к zigbee2mqtt, ZHA или любому стандартному ZigBee-координатору невозможно. Для автоматического сбора показаний используйте УС-RS485 или УС-OptoPort по проводному интерфейсу.