Счетчик электроэнергии трехфазный микропроцессорный многофункциональный универсальный ❓
Контроль и передача показаний счётчиков в вашу управляющую компанию
УС-RS485 позволяет передавать данные автоматически

Сайт: http://www.energomera.ru/ru/products/meters/ce304
Состояние:
- ❓ УС-RS485 — Не проверен
- ❗УС-OptoPort — Не реализован
Параметры: Тарифы, Вольты, Токи, Мощности, Частота, CosF
Модификации:
Настройка
Протокол: МЭК 61107-2001, ModBus
Скорость: по умолчанию: 9600
Подключение:

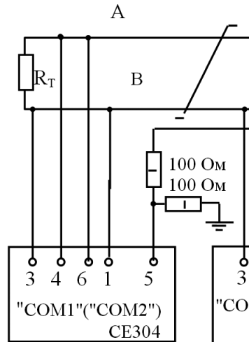
Выход 4 — A
Выход 1 — B