ЭМИС ЭЛЕКТРА 976 — трёхфазный интеллектуальный электросчётчик производства ЗАО «ЭМИС» (Челябинск) для учёта активной и реактивной электроэнергии в сетях 3×230/400 В. Поддерживает до 8 тарифов, класс точности 1,0/2,0, номинальный ток 5(100) А. Оснащён интерфейсами RS-485 и оптопорт, расширяется модулем ЭС-770 (PLC, GPRS, NB-IoT, LoRaWAN). Для автоматической передачи показаний подключается к контроллеру УС-RS485 или УС-OptoPort.
Контроль и передача показаний счётчиков в вашу управляющую компанию автоматически

Сайт: https://emis-electra.ru/product/trekhfaznyy-schetchik-emis-elektra-976/
| Модификация | Описание | Контроллер |
|---|---|---|
| RS | RS485 | УС-RS485 |
| Et | Ethernet | |
| * | Оптопорт | УС-OptoPort |
Может быть расширен с помощью комбинационного модуля ЭС-770: PLC, RF433, RF868, NB IoT, GPRS, LoRaWAN
Параметры: Тарифы, Вольты, Токи, Мощности, Частота, CosF
Основные характеристики
| Тип | Трёхфазный интеллектуальный |
| Напряжение / частота | 3×230/400 В / 50 Гц |
| Номинальный (макс.) ток | 5(100) А (прямое), 5(10) А (трансформаторное) |
| Класс точности | 1,0 / 2,0 |
| Тарифы | до 8 |
| Интерфейсы | RS-485, оптопорт, импульсный выход, Ethernet |
| Протоколы | ЭМИС-Е, DLMS, СПОДЭС |
| Температура эксплуатации | −55…+70 °C |
| Степень защиты | IP54 |
| Масса | ≤ 2,2 кг |
| Межповерочный интервал | 16 лет |
| Срок службы | ≥ 30 лет |
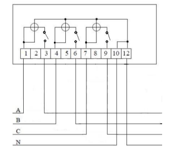
Подключение к сети
Счётчик подключается к трёхфазной сети 3×230/400 В через клеммную колодку.
Исполнение X — стандартный корпус с верхним подключением, прямое включение — 8 силовых клемм (см. таблицу ниже).
Исполнение C (СПЛИТ) — раздельное исполнение с выносным коммуникационным модулем ЭМИС-ЭЛЕКТРА 130, силовая часть подключается аналогично исполнению X.
| Клемма | Назначение |
|---|---|
| 1 | Фаза A — вход |
| 2 | Фаза A — выход |
| 3 | Фаза B — вход |
| 4 | Фаза B — выход |
| 5 | Фаза C — вход |
| 6 | Фаза C — выход |
| 7 | Ноль — вход |
| 8 | Ноль — выход |

Как снять показания
Показания отображаются на ЖК-дисплее с подсветкой. Счётчик автоматически циклически выводит показания по всем активным тарифам. Для ручного переключения используйте кнопку на передней панели. Записывайте целое число кВт·ч (до запятой) по каждому тарифу — Т1–Т8. Для расчёта платежа вычтите предыдущие показания из текущих и умножьте на тариф.
Исполнения



Для исполнения С используется ЭМИС-ЭЛЕКТРА 130
Рабочая частота 433,5 МГц
Интерфейс RS485

Контроллер для передачи показаний: УС-RS485
Протокол:
- СПОДЭС/DLMS — ❓Не проверен
- ЭМИС-Е — ❗Не реализован
Скорость: по умолчанию: 9600

Исполнение Х
Вариант А
Выход 30 — A
Выход 31 — B

Исполнение Х
Вариант Б
Выход 28 — A
Выход 29 — B

Исполнение С
Выход A — A
Выход B — B
Интерфейс ОптоПорт

Контроллер для передачи показаний: УС-OptoPort
Протокол:
- СПОДЭС/DLMS — ❓Не проверен
- ЭМИС-Е — ❗Не реализован
Скорость: по умолчанию: 9600
Расположение: на лицевой панели
Интерфейс Импульсный выход

Контроллер для передачи показаний: Ватериус
Вес импульса: Программируемый

Исполнение Х
Вариант А
Выход 26 — «+»
Выход 29 — «-«

Исполнение Х
Вариант Б
Выход 30 — «+»
Выход 31 — «-«
Автоматический сбор показаний
Для автоматической передачи показаний счётчика ЭМИС ЭЛЕКТРА 976 в управляющую компанию используйте контроллер УС-RS485 (интерфейс RS-485) или УС-OptoPort (оптопорт). Контроллер подключается к счётчику, считывает показания по протоколу СПОДЭС/DLMS и передаёт их по Wi-Fi на сервер управляющей компании.
Модификация с импульсным выходом подключается к контроллеру Ватериус.
Похожие счётчики
- ЭМИС ЭЛЕКТРА 971 — однофазный интеллектуальный
Часто задаваемые вопросы
Чем ЭМИС ЭЛЕКТРА 976 отличается от 971?
ЭМИС ЭЛЕКТРА 976 — трёхфазный счётчик для сетей 3×230/400 В с максимальным током до 100 А (прямое включение). ЭМИС ЭЛЕКТРА 971 — однофазный для сетей 230 В. Оба используют одинаковые протоколы и модули расширения.
Как передать показания автоматически?
Подключите контроллер УС-RS485 к клеммам A и B интерфейса RS-485. Контроллер передаст показания в управляющую компанию по Wi-Fi без участия жильца.
Что такое исполнение C (СПЛИТ)?
Исполнение C — раздельное (сплит) с выносным коммуникационным модулем ЭМИС-ЭЛЕКТРА 130. Позволяет разместить модуль связи отдельно от счётчика, что удобно при установке в труднодоступных местах.